ТПР-21
заполнить опросный лист
- Температура рабочих сред, ˚С
- -10+150
- Рабочее давление, МПа, не более
- 1.6
- Условный диаметр патрубков (фланцев) Ду, мм
- 100
- Площадь поверхности теплообмена теплообменника, м2
- 4,32 - 35,52
- Материал уплотнений
- EPDM
- Материал пластин
- AISI 316L
- Размер присоединения
- Ду 100
- Тип присоединения
- Фланцевое Ру 1,6 ГОСТ 12820
- Площадь поверхности теплообмена одной пластины, м2
- 0,24
- Среда
- Вода / Гликолевый раствор до 50%
- Минимальная рабочая температура, 0С
- -10
- Максимальная рабочая температура, 0С
- 150
- Условное давление Ру, МПа
- 1,6
|
Кол-во пластин, шт. |
Габаритные размеры, мм |
Площадь теплообмена, м2 |
Масса* нетто, кг |
||||||
|
А |
В |
С |
D |
E |
F |
Lmax |
|||
|
2 - 40 |
3,05хn |
480 |
225 |
719 |
196 |
1080 |
650 |
0 - 9,12 |
289,56 - 338,2 |
|
41 - 60 |
3,05хn |
480 |
225 |
719 |
196 |
1080 |
750 |
9,36 - 13,92 |
340,48 - 364,8 |
|
61 - 80 |
3,05хn |
480 |
225 |
719 |
196 |
1080 |
850 |
14,16 - 18,72 |
367,08 - 391,4 |
|
81 - 100 |
3,05хn |
480 |
225 |
719 |
196 |
1080 |
950 |
18,96 - 23,52 |
392,68 - 417 |
|
101 - 120 |
3,05хn |
480 |
225 |
719 |
196 |
1080 |
1050 |
23,76 - 28,32 |
419,28 - 469,2 |
|
121 - 140 |
3,05хn |
480 |
225 |
719 |
196 |
1080 |
1150 |
28,56 - 33,12 |
445,88 - 470,2 |
|
141 - 160 |
3,05хn |
480 |
225 |
719 |
196 |
1080 |
1250 |
33,36 - 37,92 |
472,48 - 496,8 |

|
Обозначение порта |
Присоединительный размер |
Назначение |
|
Р1 |
Фланец Ду 100 ГОСТ12820 |
Вход греющей среды (Т1) |
|
Р2 |
Фланец Ду 100 ГОСТ12820 |
Выход греющей среды (Т2) |
|
R1 |
Фланец Ду 100 ГОСТ12820 |
Выход нагреваемой среды (Т11) |
|
R2 |
Фланец Ду 100 ГОСТ12820 |
Вход нагреваемой среды (Т21) |
n – Количество пластин, шт.
* Более точные массы указаны в паспорте теплообменника и расчетном листе.
|
Кол-во пластин, шт. |
Габаритные размеры, мм |
Площадь теплообмена, м2 |
Масса* нетто, кг |
||||||
|
А |
В |
С |
D |
E |
F |
Lmax |
|||
|
2 - 40 |
3,05хn |
480 |
225 |
719 |
196 |
1080 |
650 |
0 - 9,12 |
289,56 - 338,2 |
|
41 - 60 |
3,05хn |
480 |
225 |
719 |
196 |
1080 |
750 |
9,36 - 13,92 |
340,48 - 364,8 |
|
61 - 80 |
3,05хn |
480 |
225 |
719 |
196 |
1080 |
850 |
14,16 - 18,72 |
367,08 - 391,4 |
|
81 - 100 |
3,05хn |
480 |
225 |
719 |
196 |
1080 |
950 |
18,96 - 23,52 |
392,68 - 417 |
|
101 - 120 |
3,05хn |
480 |
225 |
719 |
196 |
1080 |
1050 |
23,76 - 28,32 |
419,28 - 469,2 |
|
121 - 140 |
3,05хn |
480 |
225 |
719 |
196 |
1080 |
1150 |
28,56 - 33,12 |
445,88 - 470,2 |
|
141 - 160 |
3,05хn |
480 |
225 |
719 |
196 |
1080 |
1250 |
33,36 - 37,92 |
472,48 - 496,8 |

|
Обозначение порта |
Присоединительный размер |
Назначение |
|
Р1 |
Фланец Ду 100 ГОСТ12820 |
Вход греющей среды (Т1) |
|
Р2 |
Фланец Ду 100 ГОСТ12820 |
Вход греющей среды (Т2) |
|
R1 |
Фланец Ду 100 ГОСТ12820 |
Выход нагреваемой среды (Т11) |
|
R2 |
Фланец Ду 100 ГОСТ12820 |
Вход нагреваемой среды (Т21) |
|
R3 |
Фланец Ду 100 ГОСТ12820 | Вход нагреваемой среды (В1) |
|
P3 |
Фланец Ду 100 ГОСТ12820 | Выход греющей среды (Т2общ.) |
n – Количество пластин, шт.
* Более точные массы указаны в паспорте теплообменника и расчетном листе.

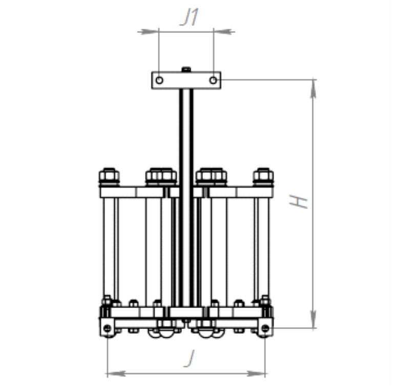
|
Кол-во пластин, шт. |
Габаритные размеры, мм |
|||
|
J |
J1 |
H |
||
|
2 - 40 |
440 |
150 |
595 |
|
|
41 - 60 |
440 |
150 |
695 |
|
|
61 - 80 |
440 |
150 |
795 |
|
|
81 - 100 |
440 |
150 |
895 |
|
|
101 - 120 |
440 |
150 |
995 |
|
|
121 - 140 |
440 | 150 | 1095 | |
|
141 - 160 |
440 | 150 | 1195 | |