ТПР-04
заполнить опросный лист
- Температура рабочих сред, ˚С
- -10+150
- Рабочее давление, МПа, не более
- 1.6
- Условный диаметр патрубков (фланцев) Ду, мм
- 25 G 1”
- Площадь поверхности теплообмена теплообменника, м2
- 0,16 - 2,32
- Материал уплотнений
- EPDM
- Материал пластин
- AISI 316L
- Размер присоединения
- G 1”
- Тип присоединения
- Резьба наружная ГОСТ 6357
- Площадь поверхности теплообмена одной пластины, м2
- 0,04
- Среда
- Вода / Гликолевый раствор до 50%
- Минимальная рабочая температура, 0С
- -10
- Максимальная рабочая температура, 0С
- 150
- Условное давление Ру, МПа
- 1,6
|
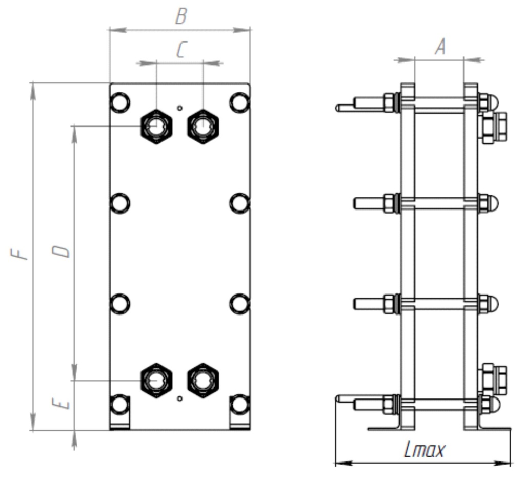
Кол-во пластин, шт. |
Габаритные размеры, мм |
Площадь теплообмена, м2 |
Масса* нетто, кг |
||||||
|
А |
В |
С |
D |
E |
F |
Lmax |
|||
|
2 - 26 |
2,85хn |
210 |
70 |
381 |
74 |
520 |
200 |
0,00 - 1,01 |
38 - 45 |
|
27 - 46 |
2,85хn |
210 |
70 |
381 |
74 |
520 |
280 |
1,05 - 1,85 |
45 - 52 |
|
47 - 60 |
2,85хn |
210 |
70 |
381 |
74 |
520 |
350 |
1,89 - 2,44 |
52 - 56 |

|
Обозначение порта |
Присоединительный размер |
Назначение |
|
Р1 |
Резьба внутренняя G 1 " ГОСТ 6357 |
Вход греющей среды (Т1) |
|
Р2 |
Резьба внутренняя G 1 " ГОСТ 6357 |
Выход греющей среды (Т2) |
|
R1 |
Резьба внутренняя G 1 " ГОСТ 6357 |
Выход нагреваемой среды (Т11) |
|
R2 |
Резьба внутренняя G 1 " ГОСТ 6357 |
Вход нагреваемой среды (Т21) |
|
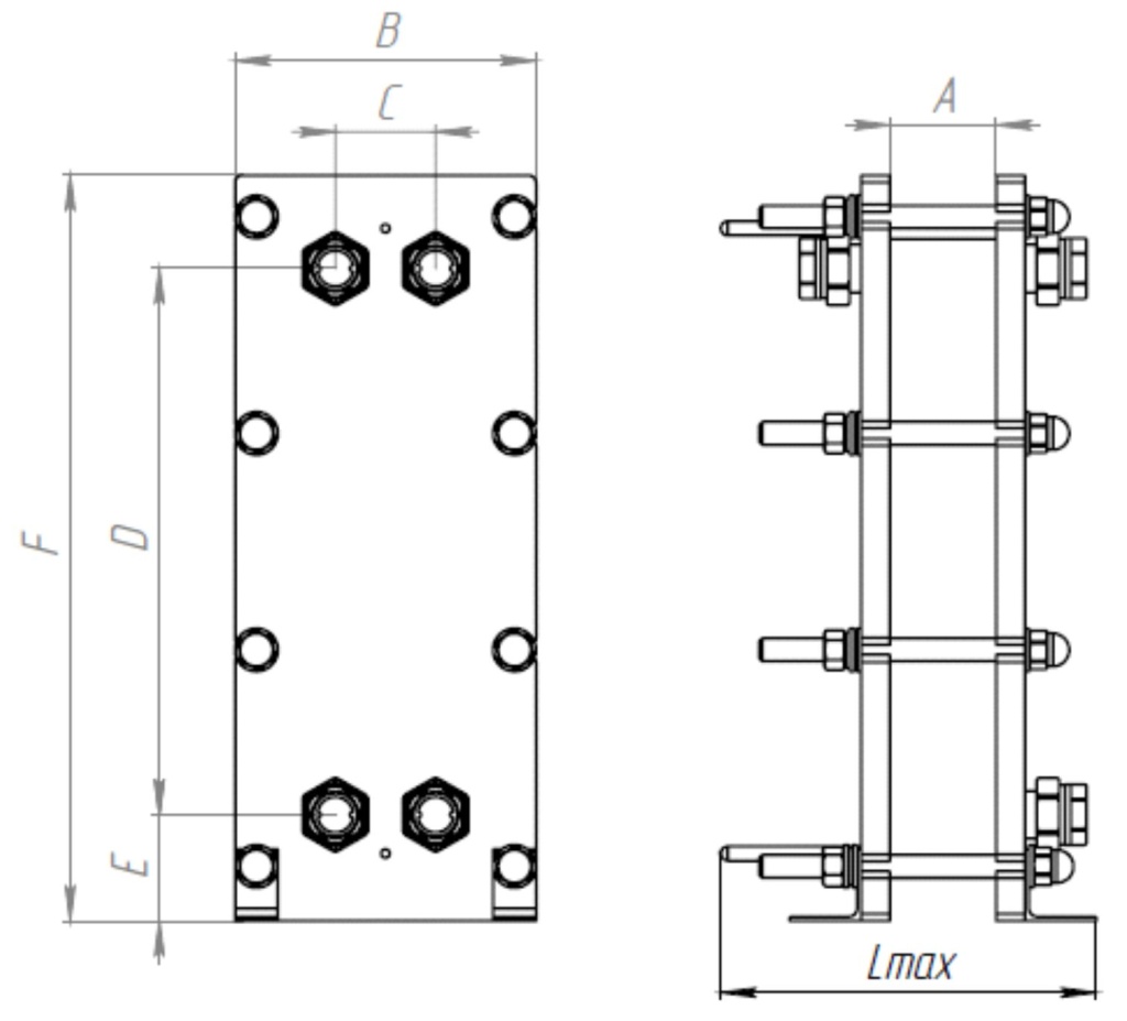
Кол-во пластин, шт. |
Габаритные размеры, мм |
Площадь теплообмена, м2 |
Масса* нетто, кг |
||||||
|
А |
В |
С |
D |
E |
F |
Lmax |
|||
|
2 - 26 |
2,85хn |
210 |
70 |
381 |
74 |
520 |
200 |
0,00 - 1,01 |
38 - 45 |
|
27 - 46 |
2,85хn |
210 |
70 |
381 |
74 |
520 |
280 |
1,05 - 1,85 |
45 - 52 |
|
47 - 60 |
2,85хn |
210 |
70 |
381 |
74 |
520 |
350 |
1,89 - 2,44 |
52 - 56 |

|
Обозначение порта |
Присоединительный размер |
Назначение |
|
Р1 |
Резьба внутренняя G 1 " ГОСТ 6357 |
Вход греющей среды (Т1) |
|
Р2 |
Резьба внутренняя G 1 " ГОСТ 6358 |
Вход греющей среды (Т2) |
|
R1 |
Резьба внутренняя G 1 " ГОСТ 6359 |
Выход нагреваемой среды (Т11) |
|
R2 |
Резьба внутренняя G 1 " ГОСТ 6360 |
Вход нагреваемой среды (Т21) |
|
R3 |
Резьба внутренняя G 1 " ГОСТ 6361 | Вход нагреваемой среды (В1) |
|
Р3 |
Резьба внутренняя G 1 " ГОСТ 6362 | Выход греющей среды (Т2общ.) |

|
Кол-во пластин, шт. |
Габаритные размеры, мм |
|
|
J |
Н |
|
|
2-26 |
180 |
105,7-174,1 |
|
27-46 |
180 |
176,95-231,1 |
|
47-60 |
180 |
233,95-271 |