ТПР-08
заполнить опросный лист
- Температура рабочих сред, ˚С
- -10+150
- Рабочее давление, МПа, не более
- 1.6
- Условный диаметр патрубков (фланцев) Ду, мм
- 32 G 1 ¼”
- Площадь поверхности теплообмена теплообменника, м2
- 0,32 - 4,64
- Материал уплотнений
- EPDM
- Материал пластин
- AISI 316L
- Размер присоединения
- G 1 1/4”
- Тип присоединения
- Резьба наружная ГОСТ 6357
- Площадь поверхности теплообмена одной пластины, м2
- 0,08
- Среда
- Вода / Гликолевый раствор до 50%
- Минимальная рабочая температура, 0С
- -10
- Максимальная рабочая температура, 0С
- 150
- Условное давление Ру, МПа
- 1,6

|
Кол-во пластин, шт. |
Габаритные размеры, мм |
Площадь теплообмена, м2 |
Масса* нетто, кг |
||||||
|
А |
В |
С |
D |
E |
F |
Lmax |
|||
|
20 - 26 |
2,85хn |
210 |
70 |
656 |
80 |
805 |
200 |
1,51 - 2,02 |
67 - 70 |
|
27 - 46 |
2,85хn |
210 |
70 |
656 |
80 |
805 |
280 |
2,1 - 3,7 |
70 - 78 |
|
47 - 60 |
2,85хn |
210 |
70 |
656 |
80 |
805 |
350 |
3,78 - 4,87 |
78 - 85 |

|
Обозначение порта |
Присоединительный размер |
Назначение |
|
Р1 |
Резьба наружная G 1 1/4 " ГОСТ 6357 |
Вход греющей среды (Т1) |
|
Р2 |
Резьба наружная G 1 1/4 " ГОСТ 6357 |
Выход греющей среды (Т2) |
|
R1 |
Резьба наружная G 1 1/4 " ГОСТ 6357 |
Выход нагреваемой среды (Т11) |
|
R2 |
Резьба наружная G 1 1/4 " ГОСТ 6357 |
Вход нагреваемой среды (Т21) |

|
Кол-во пластин, шт. |
Габаритные размеры, мм |
Площадь теплообмена, м2 |
Масса* нетто, кг |
||||||
|
А |
В |
С |
D |
E |
F |
Lmax |
|||
|
20 - 26 |
2,85хn |
210 |
70 |
656 |
80 |
805 |
200 |
1,51 - 2,02 |
67 - 70 |
|
27 - 46 |
2,85хn |
210 |
70 |
656 |
80 |
805 |
280 |
2,1 - 3,7 |
70 - 78 |
|
47 - 60 |
2,85хn |
210 |
70 |
656 |
80 |
805 |
350 |
3,78 - 4,87 |
78 - 85 |

|
Обозначение порта |
Присоединительный размер |
Назначение |
|
Р1 |
Резьба наружная G 1 1/4 " ГОСТ 6357 |
Вход греющей среды (Т1) |
|
Р2 |
Резьба наружная G 1 1/4 " ГОСТ 6357 |
Вход греющей среды (Т2) |
|
R1 |
Резьба наружная G 1 1/4 " ГОСТ 6357 |
Выход нагреваемой среды (Т11) |
|
R2 |
Резьба наружная G 1 1/4 " ГОСТ 6357 |
Вход нагреваемой среды (Т21) |
|
R3 |
Резьба наружная G 1 1/4 " ГОСТ 6357 | Вход нагреваемой среды (В1) |
|
P3 |
Резьба наружная G 1 1/4 " ГОСТ 6357 | Выход греющей среды (Т2общ.) |

|
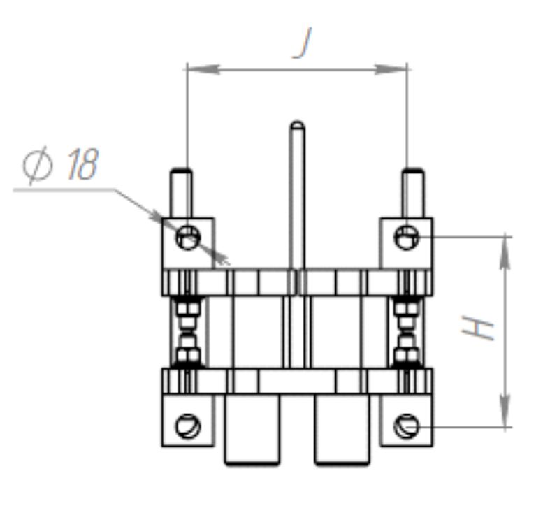
Кол-во пластин, шт. |
Габаритные размеры, мм |
|
|
J |
Н |
|
|
20 - 26 |
170 |
147 - 164,1 |
|
27 - 46 |
170 |
166,95 - 221,1 |
|
47 - 60 |
170 |
223,95 - 261 |