Теплообменник - ТПР-12 - Челябинск

ТПР-12

ТПР-12


заполнить опросный лист
Температура рабочих сред, ˚С
-10+150
Рабочее давление, МПа, не более
1.6
Условный диаметр патрубков (фланцев) Ду, мм
50
Площадь поверхности теплообмена теплообменника, м2
0,51 - 15,08
Материал уплотнений
EPDM
Материал пластин
AISI 316L
Размер присоединения
Ду 50
Тип присоединения
Фланцевое Ру 1,6 ГОСТ 12820
Площадь поверхности теплообмена одной пластины, м2
0,1278
Среда
Вода / Гликолевый раствор до 50%
Минимальная рабочая температура, 0С
-10
Максимальная рабочая температура, 0С
150
Условное давление Ру, МПа
1,6
12_1.jpg               

Кол-во пластин, шт.

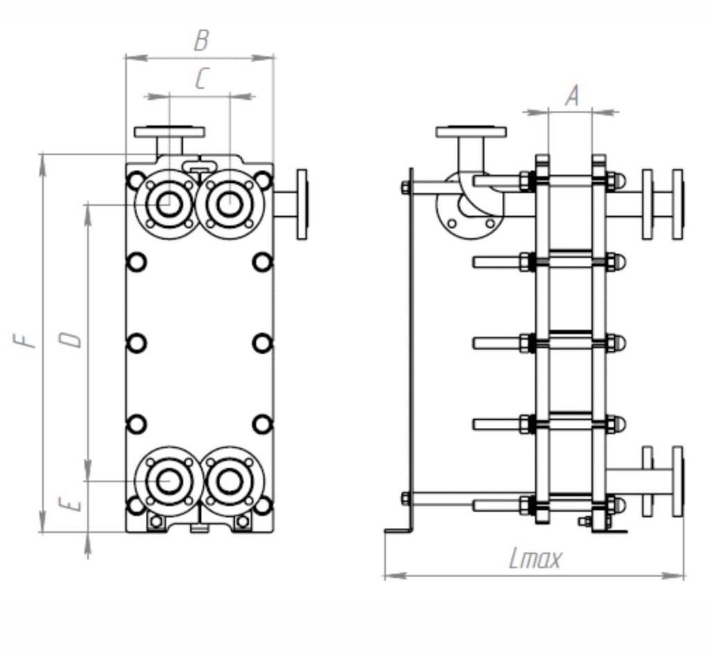
Габаритные размеры, мм

Площадь теплообмена, м2

Масса* нетто, кг

А

В

С

D

E

F

Lmax

2 - 19

3,45хn

340

139

639

117

870

570

0 - 1,96

161,52 - 174,44

20 - 41

3,45хn

340

139

639

117

870

690

2,24 - 4,89

175,2 - 191,16

42 - 61

3,45хn

340

139

639

117

870

810

5,11 - 7,54

191,92 - 206,36

62 - 81

3,45хn

340

139

639

117

870

930

7,67 - 10,10

207,12 - 221,56

82 - 100

3,45хn

340

139

639

117

870

1060

10,22 - 12,52

221,56 - 236




порты 2-ходовой.jpg



Обозначение порта

Присоединительный размер

Назначение

Р1

Фланец Ду 50 ГОСТ12820

Вход греющей среды (Т1)

Р2

Фланец Ду 50 ГОСТ12820

Вход греющей среды (Т2)

R1

Фланец Ду 50 ГОСТ12820

Выход нагреваемой среды (Т11)

R2

Фланец Ду 50 ГОСТ12820

Вход нагреваемой среды (Т21)

R3

Фланец Ду 50 ГОСТ12820 Вход нагреваемой среды (В1)

Р3

Фланец Ду 50 ГОСТ12820 Выход греющей среды (Т2общ.)

12_м1.jpg

Кол-во пластин, шт.

Габаритные размеры, мм

J

H

2 - 19

200

407

20 - 41

200

515

42 - 61

200

635

62 - 81

200

755

82 - 100

200

885





revit.png      ТПР12SP6 PN16 L370 2-19.rfa     Скачать    
revit.png     ТПР12SP6 PN16 L490 20-41.rfa        Скачать
revit.png     ТПР12SP6 PN16 L610 42-61.rfa
    Скачать
revit.png     ТПР12SP6 PN16 L730 62-81.rfa     Скачать
revit.png      ТПР12SP6 PN16 L860 82-100.rfa         Скачать

Вернуться в раздел