Теплообменник - ТПР-14 - Челябинск

ТПР-14

ТПР-14


заполнить опросный лист
Температура рабочих сред, ˚С
-10+150
Рабочее давление, МПа, не более
1.6
Условный диаметр патрубков (фланцев) Ду, мм
50
Площадь поверхности теплообмена теплообменника, м2
0,6 - 14,7
Материал уплотнений
EPDM
Материал пластин
AISI 316L
Размер присоединения
Ду 50
Тип присоединения
Фланцевое Ру 1,6 ГОСТ 12820
Площадь поверхности теплообмена одной пластины, м2
0,15
Среда
Вода / Гликолевый раствор до 50%
Минимальная рабочая температура, 0С
-10
Максимальная рабочая температура, 0С
150
Условное давление Ру, МПа
1,6
14_1.jpg    

Кол-во пластин, шт.

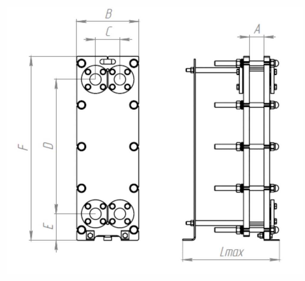
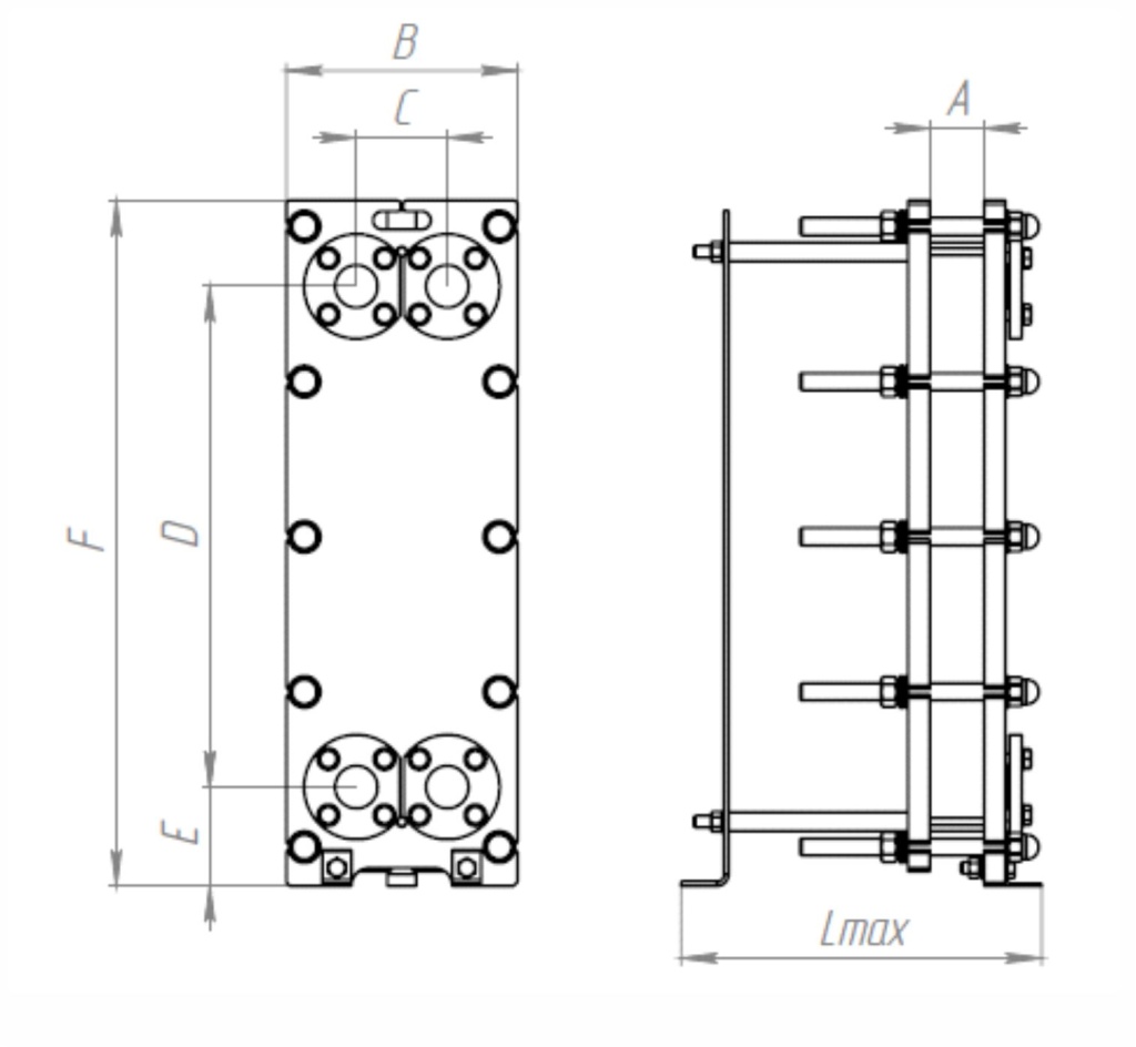
Габаритные размеры, мм

Площадь теплообмена, м2

Масса* нетто, кг

А

В

С

D

E

F

Lmax

2 - 21

3хn

320

126

694

137

950

410

0 - 2,85

161,42 - 173,49

22 - 41

3хn

320

126

694

137

950

500

3 - 5,85

174,2 - 189,11

42 - 61

3хn

320

126

694

137

950

590

6 - 8,85

189,82 - 203,31

62 - 81

3хn

320

126

694

137

950

680

9 - 11,85

204,02 - 217,51

82 - 100

3хn

320

126

694

137

950

770

12 - 14,7

217,51 - 231




порты 1-ходовой.jpg


Обозначение порта

Присоединительный размер

Назначение

Р1

Фланец Ду 50 ГОСТ12820

Вход греющей среды (Т1)

Р2

Фланец Ду 50 ГОСТ12820

Выход греющей среды (Т2)

R1

Фланец Ду 50 ГОСТ12820

Выход нагреваемой среды (Т11)

R2

Фланец Ду 50 ГОСТ12820

Вход нагреваемой среды (Т21)


14_2.jpg    

Кол-во пластин, шт.

Габаритные размеры, мм

Площадь теплообмена, м2

Масса* нетто, кг

А

В

С

D

E

F

Lmax

2 - 21

3хn

320

126

694

137

950

410

0 - 2,85

161,42 - 173,49

22 - 41

3хn

320

126

694

137

950

500

3 - 5,85

174,2 - 189,11

42 - 61

3хn

320

126

694

137

950

590

6 - 8,85

189,82 - 203,31

62 - 81

3хn

320

126

694

137

950

680

9 - 11,85

204,02 - 217,51

82 - 100

3хn

320

126

694

137

950

770

12 - 14,7

217,51 - 231



порты 2-ходовой.jpg


Обозначение порта

Присоединительный размер

Назначение

Р1

Фланец Ду 50 ГОСТ12820

Вход греющей среды (Т1)

Р2

Фланец Ду 50 ГОСТ12820

Вход греющей среды (Т2)

R1

Фланец Ду 50 ГОСТ12820

Выход нагреваемой среды (Т11)

R2

Фланец Ду 50 ГОСТ12820

Вход нагреваемой среды (Т21)

R3

Фланец Ду 50 ГОСТ12820 Вход нагреваемой среды (В1)

Р3

Фланец Ду 50 ГОСТ12820 Выход греющей среды (Т2общ.)


14_м1.jpg


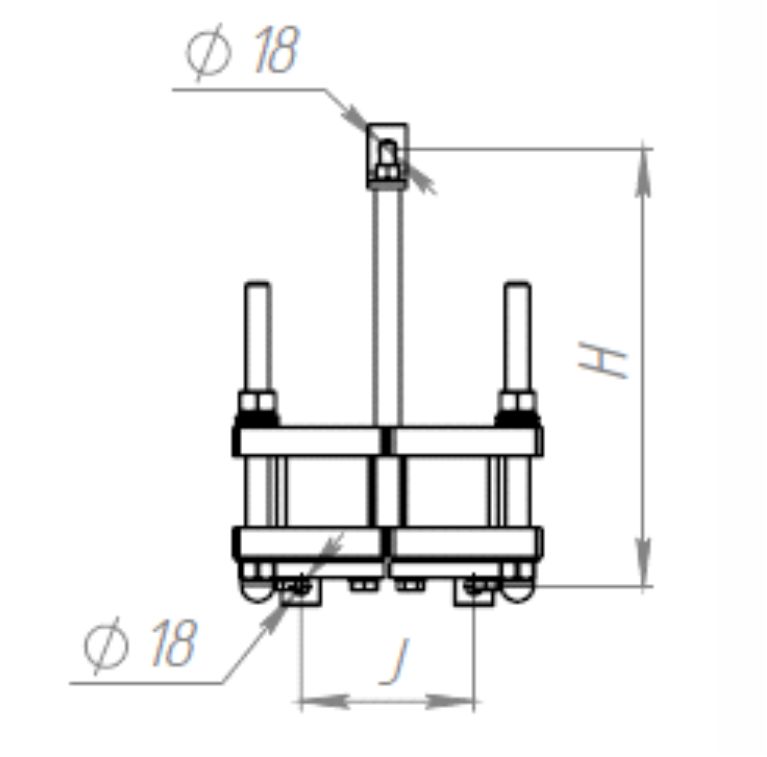
Кол-во пластин, шт.

Габаритные размеры, мм

J

H

2 - 19

200

365

20 - 41

200

455

42 - 61

200

545

62 - 81

200

635

82 - 100

200

725



revit.png          ТПР14SH PN16 L340 2-21.rfa     Скачать    
revit.png         ТПР14SH PN16 L430 22-41.rfa          Скачать
revit.png         ТПР14SH PN16 L520 42-61.rfa
    Скачать
revit.png         ТПР14SH PN16 L610 62-81.rfa     Скачать
revit.png         ТПР14SH PN16 L700 82-100.rfa           Скачать

Вернуться в раздел