Теплообменник - ТПР-19 - Челябинск

ТПР-19

ТПР-19


заполнить опросный лист
Температура рабочих сред, ˚С
-10+150
Рабочее давление, МПа, не более
1.6
Условный диаметр патрубков (фланцев) Ду, мм
65
Площадь поверхности теплообмена теплообменника, м2
3,96 - 25,96
Материал уплотнений
EPDM
Материал пластин
AISI 316L
Размер присоединения
Ду 65
Тип присоединения
Фланцевое Ру 1,6 ГОСТ 12820
Площадь поверхности теплообмена одной пластины, м2
0,22
Среда
Вода / Гликолевый раствор до 50%
Минимальная рабочая температура, 0С
-10
Максимальная рабочая температура, 0С
150
Условное давление Ру, МПа
1,6
19_1.jpg            

Кол-во пластин, шт.

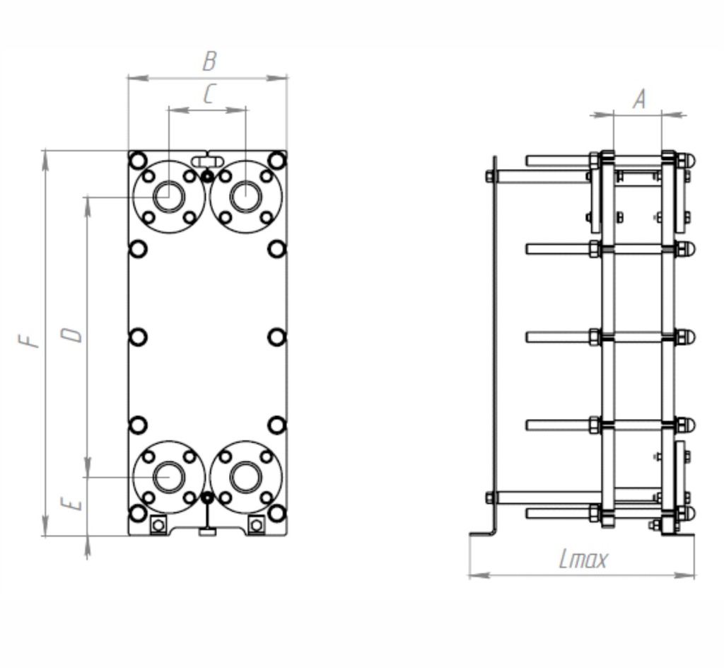
Габаритные размеры, мм

Площадь теплообмена, м2

Масса* нетто, кг

А

В

С

D

E

F

Lmax

2 - 19

2,75хn

395

192

700

145

960

441

0 - 3,74

208,98 - 225,81

20 - 41

2,75хn

395

192

700

145

960

481

3,96 - 8,58

226,8 - 247,59

42 - 61

2,75хn

395

192

700

145

960

561

8,8 - 12,98

209,98 - 226,81

62 - 81

2,75хn

395

192

700

145

960

681

13,2 - 17,38

271,38 - 290,19

82 - 100

2,75хn

395

192

700

145

960

801

17,6 - 21,56

292,18 - 310

101 - 121

2,75хn

395

192

700

145

960

931

21,78 - 26,18

311,99 - 331,79



порты 1-ходовой.jpg


Обозначение порта

Присоединительный размер

Назначение

Р1

Фланец Ду 65 ГОСТ12820

Вход греющей среды (Т1)

Р2

Фланец Ду 65 ГОСТ12820

Выход греющей среды (Т2)

R1

Фланец Ду 65 ГОСТ12820

Выход нагреваемой среды (Т11)

R2

Фланец Ду 65 ГОСТ12820

Вход нагреваемой среды (Т21)


n – Количество пластин, шт.

* Более точные массы указаны в паспорте теплообменника и расчетном листе.

19_2.jpg  

Кол-во пластин, шт.

Габаритные размеры, мм

Площадь теплообмена, м2

Масса* нетто, кг

А

В

С

D

E

F

Lmax

2 - 19

2,75хn

395

192

700

145

960

441

0 - 3,74

208,98 - 225,81

20 - 41

2,75хn

395

192

700

145

960

481

3,96 - 8,58

226,8 - 247,59

42 - 61

2,75хn

395

192

700

145

960

561

8,8 - 12,98

209,98 - 226,81

62 - 81

2,75хn

395

192

700

145

960

681

13,2 - 17,38

271,38 - 290,19

82 - 100

2,75хn

395

192

700

145

960

801

17,6 - 21,56

292,18 - 310

101 - 121

2,75хn

395

192

700

145

960

931

21,78 - 26,18

311,99 - 331,79


порты 2-ходовой.jpg


Обозначение порта

Присоединительный размер

Назначение

Р1

Фланец Ду 65 ГОСТ12820

Вход греющей среды (Т1)

Р2

Фланец Ду 65 ГОСТ12820

Вход греющей среды (Т2)

R1

Фланец Ду 65 ГОСТ12820

Выход нагреваемой среды (Т11)

R2

Фланец Ду 65 ГОСТ12820

Вход нагреваемой среды (Т21)

R3

Фланец Ду 65 ГОСТ12820 Вход нагреваемой среды (В1)

P3

Фланец Ду 65 ГОСТ12820 Выход греющей среды (Т2общ.)

  n – Количество пластин, шт.

* Более точные массы указаны в паспорте теплообменника и расчетном листе.

19_м1.jpg


Кол-во пластин, шт.

Габаритные размеры, мм

J

H

2 - 19

245

396

20 - 41

245

436

42 - 61

245

516

62 - 81

245

636

82 - 100

245

756

101 - 121

245

886



revit.png         ТПР19SH PN16 L370 2-19.rfa     Скачать    
revit.png        ТПР19SH PN16 L410 20-41.rfa            Скачать
revit.png        ТПР19SH PN16 L490 42-61.rfa
    Скачать
revit.png        ТПР19SH PN16 L610 62-81.rfa     Скачать
revit.png        ТПР19SH PN16 L730 82-100.rfa            Скачать
revit.png        ТПР19SH PN16 L860 101-121.rfa            Скачать

Вернуться в раздел