Теплообменник - ТПР-41 - Челябинск

ТПР-41

ТПР-41


заполнить опросный лист
Температура рабочих сред, ˚С
-10+150
Рабочее давление, МПа, не более
1.6
Условный диаметр патрубков (фланцев) Ду, мм
150
Площадь поверхности теплообмена теплообменника, м2
8,1 - 179,1
Материал уплотнений
EPDM
Материал пластин
AISI 316L
Размер присоединения
DN 150
Тип присоединения
Фланцевое Ру 1,6 ГОСТ 12820
Площадь поверхности теплообмена одной пластины, м2
0,45
Среда
Вода / Гликолевый раствор до 50%
Минимальная рабочая температура, 0С
-10
Максимальная рабочая температура, 0С
150
Условное давление Ру, МПа
1,6
Температура окружающей среды
-10+150
41_1.jpg               
 

Кол-во пластин, шт.

Габаритные размеры, мм

Площадь теплообмена, м2

Масса* нетто, кг

А

В

С

D

E

F

Lmax

2 - 40

3хn

608

296

890

275

1525

850

0 - 17,1

606 - 682

41 - 80

3хn

608

296

890

275

1525

1250

17,55 - 35,1

701 - 779

81 - 120

3хn

608

296

890

275

1525

1750

35,55 - 53,1

799 - 877

121 - 160

3хn

608

296

890

275

1525

2250

53,55 - 71,1

896 - 974

161 - 200

3хn

608

296

890

275

1525

2750

71,55 - 89,1

994 - 1072

  
201 - 250

3xn 608 296 890 275 1525 1826 89,55 - 111,6 1095 - 1193
 
251 - 300

3xn 608 296 890 275 1525 2076 112,05 - 134,1 1217 - 1315
 
301 - 400

3xn 608 296 890 275 1525 2576 134,55 - 179,1 1361 -1559


порты 1-ходовой.jpg

Обозначение порта

Присоединительный размер

Назначение

Р1

Фланец Ду 150 ГОСТ12820

Вход греющей среды (Т1)

Р2

Фланец Ду 150 ГОСТ12820

Выход греющей среды (Т2)

R1

Фланец Ду 150 ГОСТ12820

Выход нагреваемой среды (Т11)

R2

Фланец Ду 150 ГОСТ12820

Вход нагреваемой среды (Т21)


n – Количество пластин, шт.

* Более точные массы указаны в паспорте теплообменника и расчетном листе.

41_2.jpg      
   

Кол-во пластин, шт.

Габаритные размеры, мм

Площадь теплообмена, м2

Масса* нетто, кг

А

В

С

D

E

F

Lmax

2 - 40

3хn

608

296

890

275

1525

850

0 - 17,1

606 - 682

41 - 80

3хn

608

296

890

275

1525

1250

17,55 - 35,1

701 - 779

81 - 120

3хn

608

296

890

275

1525

1750

35,55 - 53,1

799 - 877

121 - 160

3хn

608

296

890

275

1525

2250

53,55 - 71,1

896 - 974

161 - 200

3хn

608

296

890

275

1525

2750

71,55 - 89,1

994 - 1072

  
201 - 250

3xn 608 296 890 275 1525 1826 89,55 - 111,6 1095 - 1193
 
251 - 300

3xn 608 296 890 275 1525 2076 112,05 - 134,1 1217 - 1315
 
301 - 400

3xn 608 296 890 275 1525 2576 134,55 - 179,1 1361 -1559


порты 2-ходовой.jpg


Обозначение порта

Присоединительный размер

Назначение

Р1

Фланец Ду 150 ГОСТ12820

Вход греющей среды (Т1)

Р2

Фланец Ду 150 ГОСТ12820

Вход греющей среды (Т2)

R1

Фланец Ду 150 ГОСТ12820

Выход нагреваемой среды (Т11)

R2

Фланец Ду 150 ГОСТ12820

Вход нагреваемой среды (Т21)

R3

Фланец Ду 150 ГОСТ12820 Вход нагреваемой среды (В1)

P3

Фланец Ду 150 ГОСТ12820 Выход греющей среды (Т2общ.)

n – Количество пластин, шт.

* Более точные массы указаны в паспорте теплообменника и расчетном листе.

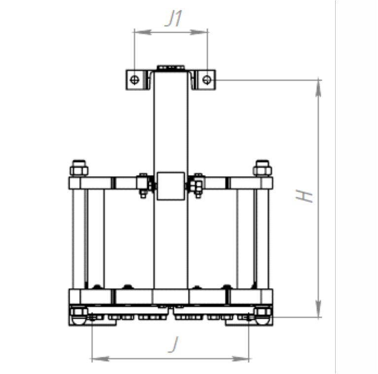
41_м1.jpg
 

Кол-во пластин, шт.

Габаритные размеры, мм

J

J1

H

2-40

468

216

709

41-80

468

216

909

81-120

468

216

1109

121-160

468

216

1309

161-200

468

216

1509

 
201-250

 468  216  1759

251 - 300

 468  216  2009

301 - 400

 468  216  2509



Вернуться в раздел